Skip to Content

Medium Voltage Tension and Suspension Insulators

25 kV OVERHEAD CONTACT LINES
CLEVIS-TONGUE ANCHORING INSULATOR
(cod. GI01899H0000)

Se bilde/info

Klikk på ikonet for å laste ned

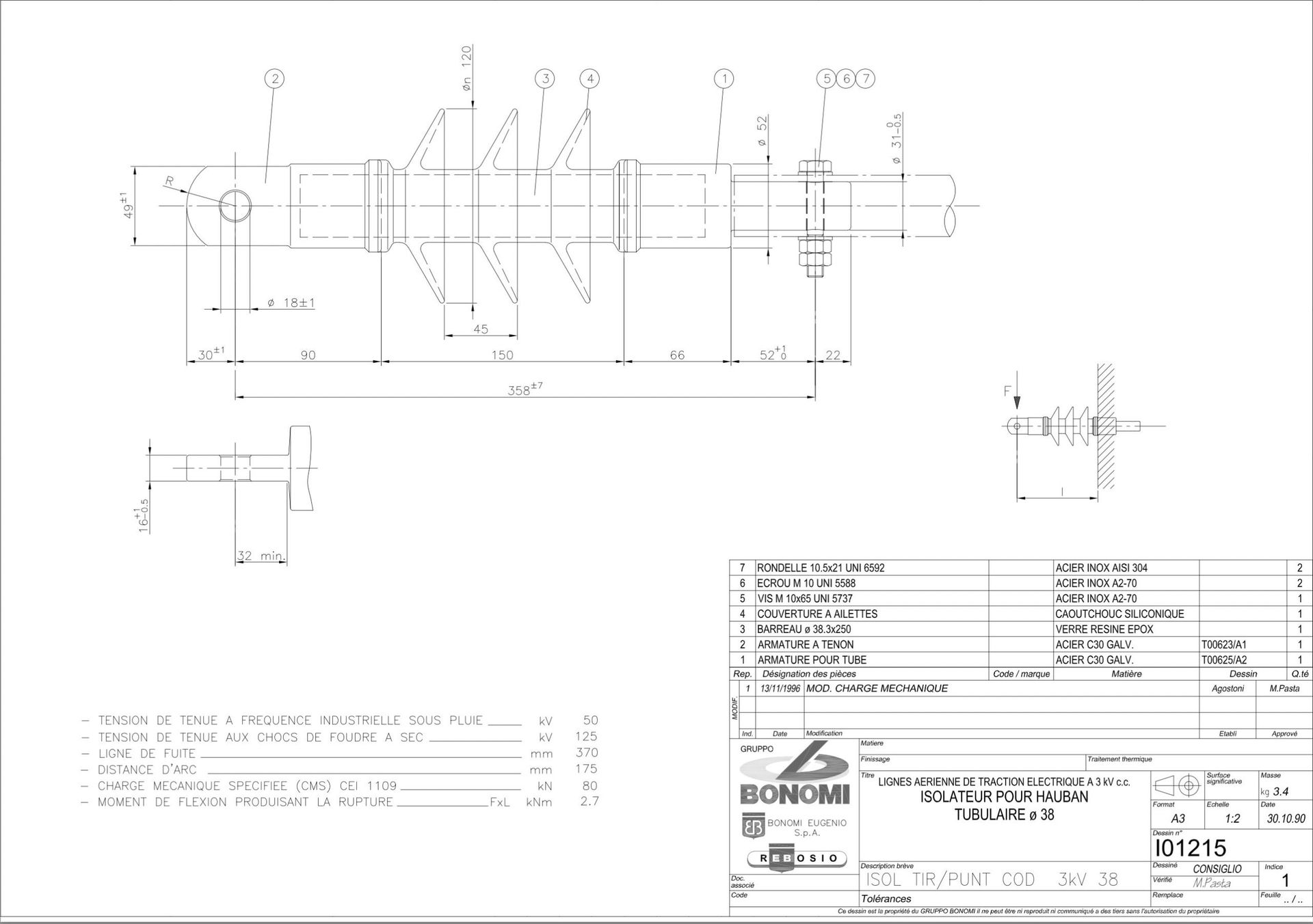
3 kV OVERHEAD CONTACT LINES
ISOLATEUR POUR HABAN TUBULAIRE Ø 38
(cod. GI0121500000)

Se bilde/info

Klikk på ikonet for å laste ned

25 kV OVERHEAD CONTACT LINES
STRUT INSULATOR
(cod. GI0190000000)

Se bilde/info

Klikk på ikonet for å laste ned

TENSION LA PLUS ELEVE DU RESAU Um = 36kV
ISOLATUER DE SUSPENSION TYPE-ISI-TIK-A8-40SB
(cod. SIS120463)

Se bilde/info

Klikk på ikonet for å laste ned

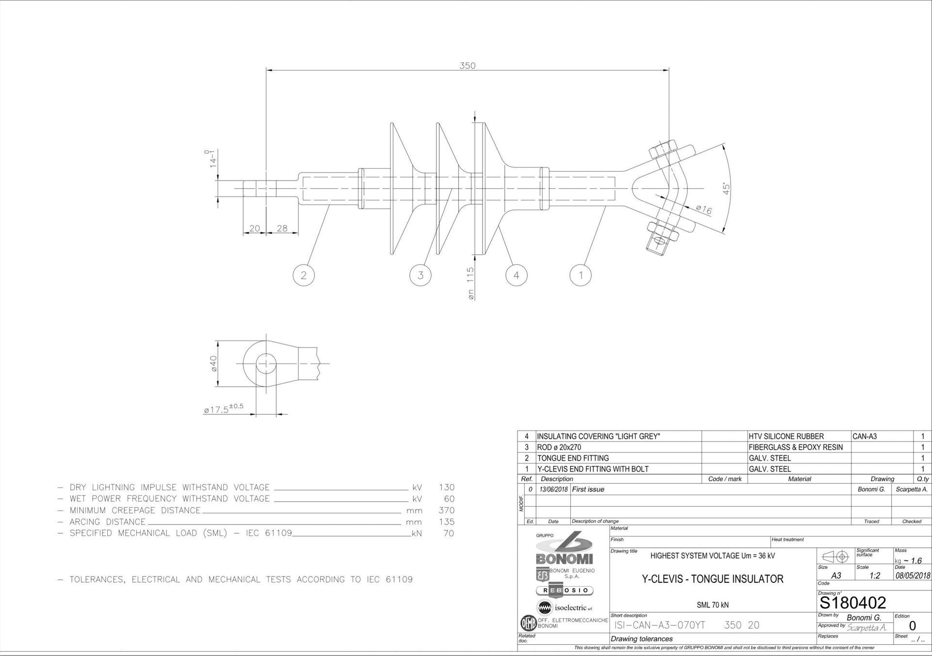
HIGHEST SYSTEM VOLTAGE Um = 36kV
Y-CLEVIS TONGUE INSULATOR
(cod. SIS180402)


Se bilde/info

Klikk på ikonet for å laste ned

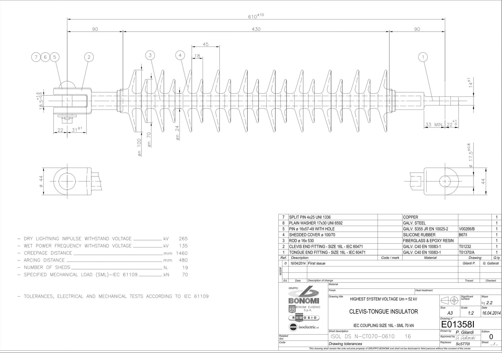
HIGHEST SYSTEM VOLTAGE Um = 52kV
Y-CLEVIS TONGUE INSULATOR
(cod. GE01358I0000)

Se bilde/info

Klikk på ikonet for å laste ned

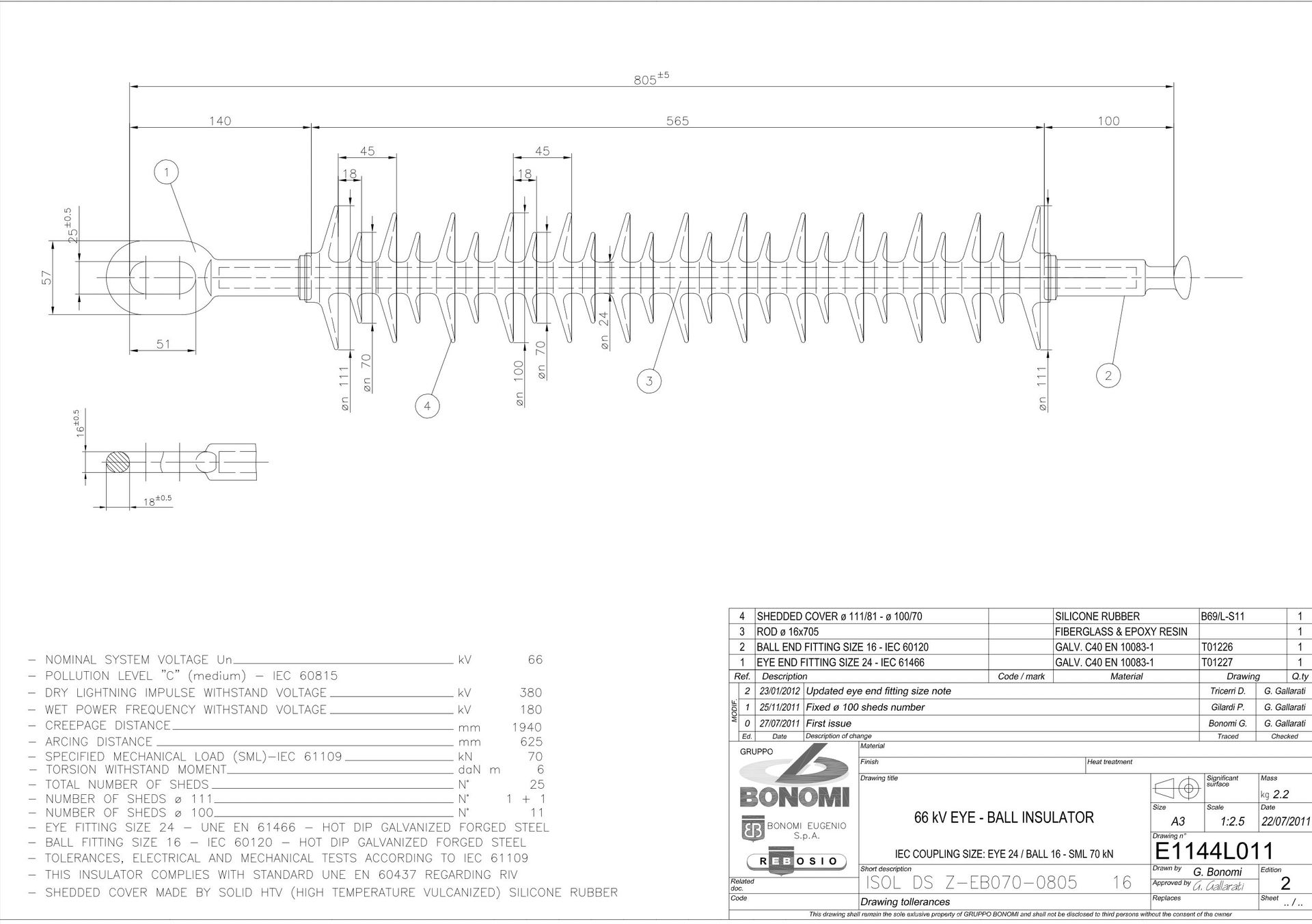
66 kV EYE-BALL INSULATOR
IEC COUPLING SIZE: EYE 24 / BALL 16 - SML 70 kN
(cod. GE1144L011IB)

Se bilde/info

Klikk på ikonet for å laste ned

EYE-BALL INSULATOR
IEC COUPLING SIZE: EYE 24 / BALL 16 - SML 70 kN
(cod. GE01410F00ED)

Se bilde/info

Klikk på ikonet for å laste ned